VKO-201-125 Conical Mount
Item # VKO-201-125 — VKO-201-125 Conical Mount
Need a custom part similar to VKO-201-125 Conical Mount? Request a custom quote or give us a call at 888-842-5668.
Manufacturer
RPM Mechanical
Inc.
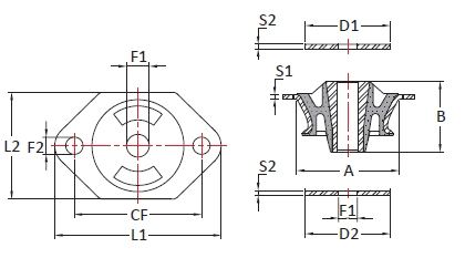
Holes
2
Hole Size (in)
0.44
Hole Size (mm)
11
Element Width (in)
2.37
Element Width (mm)
60
Height (in)
1.78
Height (mm)
45
Overall Width (in)
2.68
Overall Width (mm)
68
Overall Length (in)
4.18
Overall Length (mm)
106
CF (in)
3.07 -3.30
CF (Metric)
78-84
Center Hole (in)
0.48
Center Hole (mm)
12
Durometer
60
Max Radial Static Load Rating (lbs)
275.58
Max Radial Static Load Rating (kg)
125
Deflection at Rated Load (in)
0.18
Deflection at Rated Load (mm)
4.5
Center Bonded Mounts STA Series
Vibration Control
Molded and Extruded Rubber
Precision Mechanical Components
Industrial Casters