VKO-407-900 Conical Mount
Item # VKO-407-900 — VKO-407-900 Conical Mount
Need a custom part similar to VKO-407-900 Conical Mount? Request a custom quote or give us a call at 888-842-5668.
Manufacturer
RPM Mechanical
Inc.
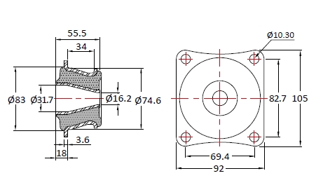
Holes
4
Hole Size (in)
0.42
Hole Size (mm)
10.5
Element Width (in)
3.75
Element Width (mm)
95
Height (in)
5.04
Height (mm)
128
Overall Width (in)
4.77
Overall Width (mm)
121
Overall Length (in)
4.77
Overall Length (mm)
121
CF (in)
3.68/3.94
CF (Metric)
98/100
Center Hole (in)
0.97
Center Hole (mm)
24.5
Durometer
45
Max Radial Static Load Rating (lbs)
1984.16
Max Radial Static Load Rating (kg)
900
Deflection at Rated Load (in)
0.26
Deflection at Rated Load (mm)
6.5
Center Bonded Mounts STA Series
Vibration Control
Molded and Extruded Rubber
Precision Mechanical Components
Industrial Casters